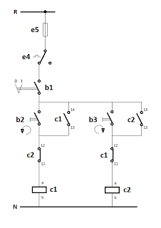
Before we discuss how to reverse an ac motor we must first understand how the. Remove the faceplate covering the wiring on your motor using a screwdriver.
Motor Speed Or Direction Controller Solid State Relay Wiring
How to reverse ac motor. Reversing the motor is simply a matter of moving the power connection so that the other winding is directly on ac. How does a single phase induction motor capacitor induction motor or ac motor work. Instant reverse motors are designed for applications that need instant reversibility with moderate starting force. The wire attached to the center left terminal of the switch should be attached to the positive terminal of the motor. Switching blue and yellow wires. Essentially moving one side of the power connection from a to b causing winding o to be the main winding and winding m to be the phase shifted one.
Reversing an ac motor. You must shut off the motor and after it stops reverse the connections and then turn it back on. Reverse baldor single phase ac motor circuit diagram duration. How to reverse ac motors understanding ac motor rotation. Step 2 remove the positive and negative leads on a dc motor from their respective terminals and replace them on the opposite terminals. Ac motor wiring diagrams are available for all of our induction motors but we will explain how.
They use an internal electronic reversing switch with no moving parts. Reversing the connections of the start or the run winding will reverse the motor but you should also know that the motor will not reverse while its running. Instant reverse motors are often used when equipment such as a gate mechanical door or hoist needs to move in two directions with minimal delay in starting. Otherwise you may give yourself a. Before proceeding any further make sure the switch is in the central off position.


















